
BDLJ shares an update on 'Project TT2, Part 3,' detailing the challenges and progress in rebuilding a Ducati engine. The post highlights the ingenuity involved in creating a custom tool for the generator, showcasing the hands-on problem-solving inherent in complex automotive restoration projects.
Work has gone slowly recently; tracking down part numbers for coils and regulators, trying to find a source for an appropriate starter button, planning on cutting and relocating a couple of frame tabs to mount the coils to....
But what's been really slowing us down is getting the specialist tools to pull the engine apart. This is so an empty engine can be offered up to the frame to confirm mounting point, the chain run, swingarm angles, etc.
The bike's owner finally got the correct clutch holder from the Ducati Owner's Club, so now the clutch can come off....But getting that big nut off the Generator is a challenge.

There is a tool to do it (or we could have cheated and just locked the primary drive....) but we couldn't find anyone who has one....
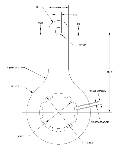
So a quick bit of CAD work by TBO (The Bike Owner)....

and we have the plans for a Generator Holder tool.
Quick conversion to a .dfx file and an email to a local firm.....and we'll have a part laser cut out of 6mm Ally to pick up on the weekend.
.. is probably very near my place ... but that doesn't help you guys ... . The end result will be the more exciting my dear ! Bim
..get them! The DOC has a tool library, but it's getting depleted. It seems very few people work on their own bikes anymore...and the workshops won't lend you one (which is typical). Most advice was to just lock the crank via the primary drive (or a dowel through the conrod little end)..but that's fine for removal, not so great for reinstalling. Plus the Laser cutting is surprisingly cheap...and it's a nice exercise.
when you get the tool and you know that you designed it. i would have locked the primary drive as well, but if the tool was there i would have used it. G
...of a few days, and a few bucks, the tool is worth it. There's enough to keep us busy in the meantime. So it's a fun exeercise. I'm planning on getting one made for the 125...much nicer than the 2 cent join I used to stuff into the primary gears.
This thread is active on the Automotive forum with 6 replies. Share your knowledge with fellow collectors.
Join the Discussion →